20系列国标工业铝型材中的第三款工业铝型材-国标2080工业铝型材,没错,这款工业铝型材就是我们的主题了,那么,关注启域金属的人应该都知道,我们上几期中,已经讲过了欧标2080工业铝型材,所以,我们就一起来看一下这款国标的又有什么不同之处吧。
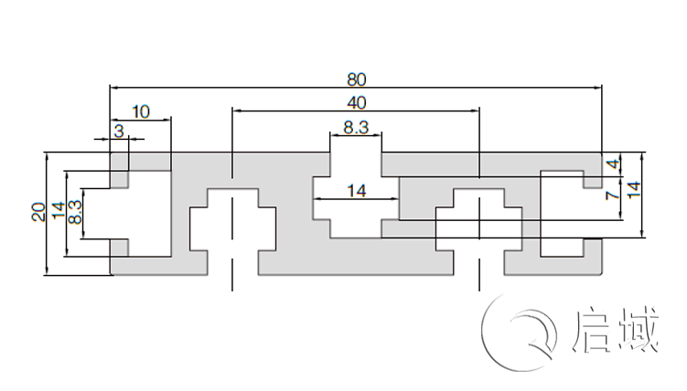
国标2080工业铝型材的产品货号是QY-8-2080G,也是一款槽8的型材。它适用于轻型结构的框架组合。经常用于做台面,简洁而又高雅。螺丝螺母这款呢,通常采用的是对边为14mm的M8、M6四方螺母与高强度圆柱头内六角螺栓连接方式,或国标14F系列T形螺母与圆柱头内六角螺栓,也可采用国标14F系列T形螺栓与法兰螺母连接。
这款国标2080工业铝型材比上一期中的2040铝型材的螺丝螺母搭配的多,之前启域的客户用这款国标2080工业铝型材做了一张电脑桌台面,非常大气上档次哦,所以有这方面需要的朋友不妨可以试一试用这款铝型材做哦。
好了,这期文章就到这里了,欢迎您联系启域金属:021-67658689,我们下期再见啦!
《该文章来源于上海启域金属有限公司原创 网址:http://www.xixkoz.cn/转载请注明》





沪公网安备31011702001213号
扫一扫,关注手机站