国标2040工业铝型材在我们工业铝型材中是一款常用于做门框的铝型材,那么,它具体又有哪些特点呢?不要着急,启域金属就来给大家简单的介绍一下它。
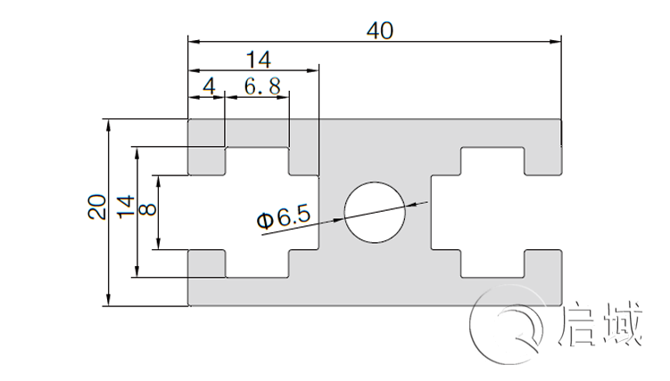
国标2040工业铝型材的产品货号是QY-8-2040G,常用叫法为20*40国标铝型材,大家又要注意了,这款铝型材是槽8系列的哦。国标2040工业铝型材适用于轻型结构的框架组合、常用于制作门框。连接件搭配的比较简单,通常采用对边为14mm的M6四方螺母与高强度圆柱头内六角螺栓连接方式。我们国标工业铝型材的配件相对于欧标工业铝型材的配件来说,还是属于比较少的那一类。
其实欧标和国标的用法和用途都是一样的,就是两个型号给不同审美需求的人设计的,启域金属不管是欧标工业铝型材还是国标工业铝型材,产品型号都是很齐全的哦,所以,有需要用到铝型材的朋友不妨联系一下启域:021-67658689,我们定会给您一个满意的答复的哦。
《该文章来源于上海启域金属有限公司原创 网址:http://www.xixkoz.cn/转载请注明》





沪公网安备31011702001213号
扫一扫,关注手机站