铝型材围栏常应用于各种工厂车间,主要是将厂区区域划分清楚,便于管理,提高工作效率,同时起到安全和防护的作用。它在搭建的时候通?;嵩诘撞堪沧爸С偶?,来减少与地面的直接接触,其中方形地脚是使用较多的。那么今天小编就来和大家聊一聊铝型材围栏底部安装方形地脚的方法。
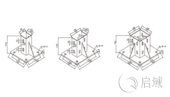
方形地脚是型材支撑件的一种,碳钢材质,表面烤漆为银白色,有3030/4040/5050等多种规格大小,主要用于型材支架的地脚支撑。一般根据型材的尺寸规格来选择大小,比如型材是4040的,那么方形地脚就要选择4040规格的,如果型材是4080的,那么它就要选择4080的。
它的安装主要分为两个部分,一个是与型材的连接,一个是与地面的连接,这两个部分的连接皆需要用到螺栓螺母。我们先来看下它与型材怎么连接,首先将T型螺栓和法兰螺母组合连接在一起,然后把T型螺栓的头顺着方形地脚的U型孔进去卡在型材的槽坑中,最后用扳手将法兰螺母紧固,这样就算完成了第一部分的固定,接下来我们再用膨胀螺栓将方形地脚固定在地面就算安装完成了。
方形地脚是型材支撑件的一种,碳钢材质,表面烤漆为银白色,有3030/4040/5050等多种规格大小,主要用于型材支架的地脚支撑。一般根据型材的尺寸规格来选择大小,比如型材是4040的,那么方形地脚就要选择4040规格的,如果型材是4080的,那么它就要选择4080的。
它的安装主要分为两个部分,一个是与型材的连接,一个是与地面的连接,这两个部分的连接皆需要用到螺栓螺母。我们先来看下它与型材怎么连接,首先将T型螺栓和法兰螺母组合连接在一起,然后把T型螺栓的头顺着方形地脚的U型孔进去卡在型材的槽坑中,最后用扳手将法兰螺母紧固,这样就算完成了第一部分的固定,接下来我们再用膨胀螺栓将方形地脚固定在地面就算安装完成了。
下一篇:已经是最后一篇了上一篇:铝型材框架的承重和哪些因素有关?




沪公网安备31011702001213号
扫一扫,关注手机站