用铝型材加工成雕刻机使用的铝型材,也称为雕刻机铝材。那么可以用哪些规格的铝型材加工成雕刻机呢?我们今天就来给大家讲解一下。
在启域有3种规格的铝型材可以用来制作雕刻机。一是国标1560铝型材。属于6mm槽宽的工业铝型材系类。适用于轻型结构的框架组合。应用于雕刻机、滑轨工作台面等。下图为国标1560铝型材。
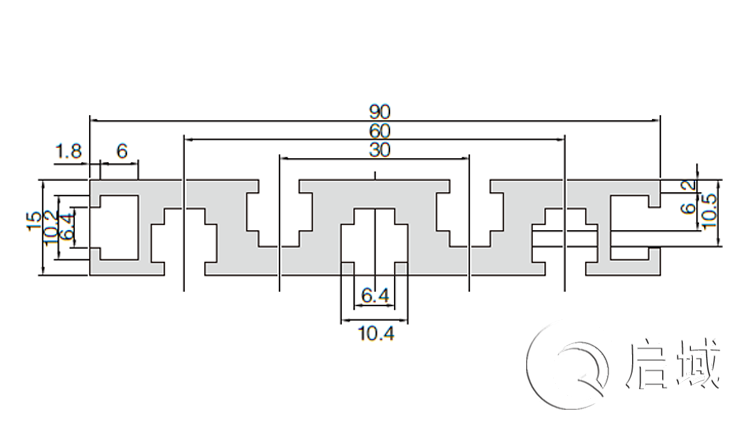
二是国标1590铝型材。也是属于6mm槽宽的工业铝型材系列。适用于轻型结构的框架组合。应用于雕刻机、滑轨工作台面等。下图为国标1590铝型材截面图。
三是国标2080铝型材,属于8mm槽宽的工业铝型材系列。适用于应力及强度较大的框架组合结构,应用于雕刻机、滑轨工作台面等。表面经过阳极氧化银白处理,高雅美观并抗腐蚀。下图为国标2080铝型材。
综合上述内容,大家有没有发现,适用于雕刻机铝型材的规格皆是国标铝型材??赡苁且蛭曷列筒乃乃姆椒降谋冉鲜屎系窨袒闹谱?。而且雕刻机使用的铝型材规格也不是很大。所以大家在选择的时候注意一下就可以了。如果您有需要的话,记得来联系上海启域金属哦。




沪公网安备31011702001213号
扫一扫,关注手机站