-
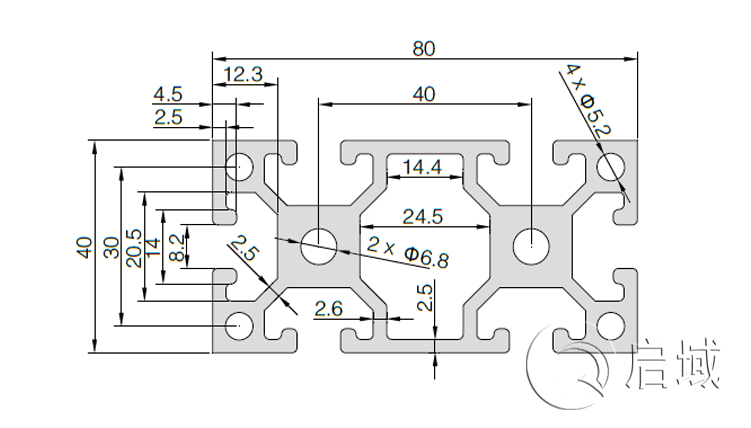
铝型材 QY-8-4080E
材料:铝合金
Material Aluminum(6063-T5)
单位质量Weight:3.91kg/m
长度Length:6.01m
集合惯性 Mass of lnertia:
lx:74.8 cm4 ly:21.6 cm4
截面惯性 Section modulus:
Zx:17.4 cm3 Zy:8.7 cm3全国服务热线:400-096-5058







|
上海启域金属制品有限公司 咨询热线:400-096-5058
021-67658689转8003
手机:13816329895
传真:021-67658536 邮箱:info@qiyu999.com 地址:上海市松江区车墩工业区泖亭路1056号 |
|
采购:铝型材 QY-8-4080E
- *联系人:
- *手机:
- 公司名称:
- 邮箱:
- *采购意向:
-
*验证码:
跟此产品相关的产品 / Related Products
联系启域
服务热线400-096-5058
- 手机:13816329895
- 传真:021-67658536
- 邮箱:info@qiyu999.com
- 地址:上海市松江区车墩工业区泖亭路1056号


沪公网安备31011702001213号
扫一扫,关注手机站